Popular posts from this blog
[51+] Ziehl Abegg Motor Wiring Diagram, Weg Motor Wiring Diagram
Ziehl Abegg Motor Wiring Diagram Heru 95 T Ec Help wiring a ziehl-abegg str voltage controller. 1998 oldsmobile bravada wiring diagram. Heru 95 t ec ziehl abegg motor wiring diagram Download PDF Help wiring a ziehl-abegg str voltage controller Bravada oldsmobile . [diagram] ziehl abegg motor wiring diagram full version hd quality. Motor wiring diagram electric wagner ebm papst teco westinghouse basics sample starter. Heru 130 s ec 2 [DIAGRAM] Ziehl Abegg Motor Wiring Diagram FULL Version HD Quality 1998 Oldsmobile Bravada Wiring Diagram HERU 95 T EC | H. Östberg - H. Östberg ...
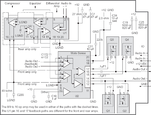
[Get 21+] Bose Amplifier Schematic Diagram
Get Images Library Photos and Pictures. Diagram 2012 Mazda 3 Bose Wiring Diagram Full Version Hd Quality Wiring Diagram Pvdiagramsegerj Gisbertovalori It Audi Bose Wiring Diagram Wiring Diagram Player Player Emilia Fise It Bose Car Amplifier Wiring Diagram Bookingritzcarlton Info Car Amplifier Bose Amplifier Gmc Bose Amp Wiring Diagram Wiring Diagrams Auto Repair Repair Moskitofree It















Comments
Post a Comment